杭州继保电气集团有限公司(原杭州继保南瑞电子科技有限公司)
HANGZHOU JIBAO ELECTRIC GROUP CO.,LTD.
杭州市级研发中心浙江双软企业国家高新技术企业

项目合作销售电话:17730224534微信:17730224534

继保南瑞10余年专注电力集成系统制造

防孤岛保护装置和反孤岛装置可以同时存在吗

头条
目前国内分布式光伏发展迅速,低压并网的光伏发电不光要求在并网点上防孤岛保护装置,越来越多低压项目供电局还会要求加装反孤岛装置,尤其是福建地区,那么防孤岛保护装置和反孤岛装置可以同时存在吗?
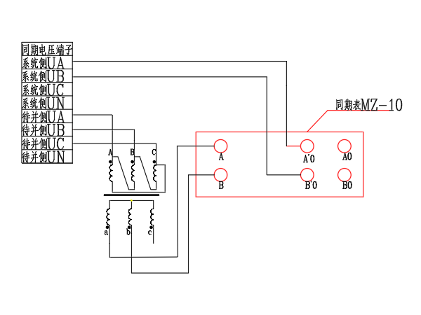
揭秘MZ-10同期表在杭州继保电气同期屏中的妙用

揭秘MZ-10同期表在杭州继保电气同期屏中的妙用

杭州继保电气集团是一家电力系统及自动化生产商,致力于电力系统"发、输、变、配、用"各个环节自动化产品研发、生产与销售,本文将从发电机组与电网同期阐述对MZ-10同期表使用中的一些心得。应用场景:发电机…
如何解决带抽头的电流互感器接线问题?杭州继保告诉你答案

如何解决带抽头的电流互感器接线问题?杭州继保告诉你答案

杭州继保电气集团有限公司RCX-9000变电站综合自动化系统在塔吉克斯坦哈马扎110kV变电站中在对110kV进线进线升流试验时,发现保护装置采集到的二次电流与在一次上加入的电流不成线性关系,经多方排…
杭州继保电气集团光伏发电系列继电保护装置介绍

杭州继保电气集团光伏发电系列继电保护装置介绍

能源问题是制约社会发展的关键因素,随着不可再生资源的不断较少,为了要维持国家的可持续发展,全社会迫切需要可再生新能源的出现。此时,光伏发电应运而生。为此我司推出早已技术成熟的防孤岛保护测控装置、故障解…
10kV配电室里都有哪些设备?杭州继保电气集团人告诉你答案(三)

10kV配电室里都有哪些设备?杭州继保电气集团人告诉你答案(三)

基于工程实例,图文解读10kV配电室内的①高压设备②变压器③低压设备④直流设备⑤电缆⑥母线
10kV配电室里都有哪些设备?杭州继保电气集团人告诉你答案(二)

10kV配电室里都有哪些设备?杭州继保电气集团人告诉你答案(二)

基于工程实例,图文解读10kV配电室内的①高压设备②变压器③低压设备④直流设备⑤电缆⑥母线

咨询热线

销售电话:17730224534